北京中泰華旭科技發展有限公司
地址:
北京昌平回龍觀育知東路30號院(13號地鐵回龍觀站對面)
訂購熱線:
010-80742722
010-80746250
010-80745440
傳真:
010-80742755
節假日值班:
13661106446
網址:
www.ngczmy.com
Email:
ztgkong@126.com
:
:
:


詳細介紹
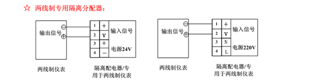
一入兩出隔離配電器SOC-AA2-2-1是中泰華旭自己研發、生產、銷售,基于工控級的一款標準一入兩出隔離配電器(兩線制專用),采用磁隔離技術, 保證隔離器的隔離功能:輸入、輸出、通道、電源間全隔離,能夠屏蔽現場各種干擾信號;同時保證輸出信號不衰減,提供高精度信號。帶24V配電功能,專用于兩線制儀表信號。









產品型號 | SOC-AA2-2-1 | 絕緣電阻 | >100MΩ |
輸入通道 | 1路0-20mA/4-20mA(兩線制變送器輸入) | 響應時間 | 200μS |
輸出通道 | 2路0-20mA/4-20mA | 環境溫度 | -10℃~ 45℃ |
工作電壓 | 220VAC | 環境濕度 | <90% 無結露 |
負載能力 | ≤500Ω | 安裝方式 | 35mm導軌安裝 |
消耗功率 | ≤2W | 外形尺寸 | 22.5×75×105 mm |
工作精度 | 0.1% | 機殼材質 | 耐燃樹脂 |
隔離耐壓 | 1500VDC/分鐘 | 電源顯示 | LED綠燈,通電亮 |




類別 | 型號 | 輸入1路 | 輸出2路 | 工作 電壓 | 負載(歐姆) | 備注 |
隔離分配器 | SOC-AA2-1 | 0-20mA或4-20mA | 0-20mA或4-20mA | 24VDC | <500 | 長期現貨 |
SOC-AA2-2 | 0-20mA或4-20mA | 0-20mA或4-20mA | 220VAC | <500 | 長期現貨 | |
SOC-AA2X-1 | 0-20mA或4-20mA | 0-20mA或4-20mA | 24VDC | <500 | 輸出可微調,現貨 | |
SOC-AA2X-2 | 0-20mA或4-20mA | 0-20mA或4-20mA | 220VAC | <500 | 輸出可微調,現貨 | |
SOC-VV2-1 | 0-5V或0-10V | 0-5V或0-10V | 24VDC | >10K | 訂貨1天 | |
SOC-VV2-2 | 0-5V或0-10V | 0-5V或0-10V | 220VAC | >10K | 訂貨1天 | |
SOC-FF2-1 | 0-10KHZ,幅值24V | 0-10KHZ,幅值24V | 24VDC | >10K | 訂貨1天 | |
SOC-FF2-G2424 | 0-10KHZ,幅值24V | 0-10KHZ,幅值24V | 24VDC | >10K | 訂貨1天 | |
SOC-FF2-G0505 | 0-10KHZ,幅值5V | 0-10KHZ,幅值5V | 24VDC | >10K | 訂貨1天 | |
分配配電器 | SOC-AA2-1-1 | 0-20mA或4-20mA | 0-20mA或4-20mA | 24VDC | 兩線制專用,現貨 | |
SOC-AA2-2-1 | 0-20mA或4-20mA | 0-20mA或4-20mA | 220VAC | <500 | 兩線制專用,現貨 | |
SOC-AA2X-1-1 | 0-20mA或4-20mA | 0-20mA或4-20mA | 24VDC | <500 | 輸出可微調,現貨 | |
SOC-AA2X-2-1 | 0-20mA或4-20mA | 0-20mA或4-20mA | 220VAC | <500 | 輸出可微調,現貨 |








