北京中泰華旭科技發展有限公司
地址:
北京昌平回龍觀育知東路30號院(13號地鐵回龍觀站對面)
訂購熱線:
010-80742722
010-80746250
010-80745440
傳真:
010-80742755
節假日值班:
13661106446
網址:
www.ngczmy.com
Email:
ztgkong@126.com
:
:
:

詳細介紹
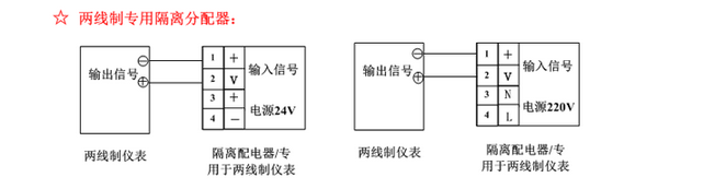
電流信號分配器SOC-AA4-2-1是中泰華旭自己研發、生產、銷售,基于工控級的一款標準一入四出隔離份配器(兩線制專用),采用磁隔離技術保證隔離器的隔離功能:輸入、輸出、通道、電源間全隔離,能夠屏蔽現場各種干擾信號;同時保證輸出信號不衰減,提供高精度信號。SOC-AA4-2-1對應新款型號SOC-AA4-2-N,SOC-AA4-2-N智能型電流信號分配器,兩線、三線、四線制都可以接。









產品型號 | SOC-AA4-2-1 | 絕緣電阻 | >100MΩ |
輸入通道 | 1路0-20mA/4-20mA(兩線制變送器輸入) | 響應時間 | 200μS |
輸出通道 | 4路0-20mA/4-20mA | 環境溫度 | -10℃~ 45℃ |
工作電壓 | 220VAC | 環境濕度 | <90% 無結露 |
負載能力 | ≤500Ω | 安裝方式 | 35mm導軌安裝 |
消耗功率 | ≤2W | 外形尺寸 | 114.5×99×22.5mm |
工作精度 | 0.1% | 機殼材質 | 耐燃樹脂 |
隔離耐壓 | 1500VDC/分鐘 | 電源顯示 | LED綠燈,通電亮 |




類別 | 型號 | 輸入1路 | 輸出4路 | 工作 電壓 | 負載(歐姆) | 備注 |
隔離分配 | SOC-AA4-1 | 0-20mA或4-20mA | 0-20mA或4-20mA | 24VDC | <500 | 長期現貨 |
SOC-AA4-2 | 0-20mA或4-20mA | 0-20mA或4-20mA | 220VAC | <500 | 長期現貨 | |
SOC-AA4-1-N | 0-20mA或4-20mA | 0-20mA或4-20mA | 24VDC | <500 | 長期現貨 | |
SOC-AA4-2-N | 0-20mA或4-20mA | 0-20mA或4-20mA | 220VAC | <500 | 長期現貨 | |
SOC-AA4-1-1 | 0-20mA或4-20mA | 0-20mA或4-20mA | 24VDC | <500 | 兩線制專用,現貨 | |
SOC-AA4-2-1 | 0-20mA或4-20mA | 0-20mA或4-20mA | 220VAC | <500 | 兩線制專用,現貨 | |
SOC-AA4X-1 | 0-20mA或4-20mA | 0-20mA或4-20mA | 24VDC | <500 | 輸出可微調,訂貨1天 | |
SOC-AA4X-2 | 0-20mA或4-20mA | 0-20mA或4-20mA | 220VAC | <500 | 輸出可微調,訂1天 | |
SOC-VV4-1 | 0-5V或0-10V | 0-5V或0-10V | 24VDC | >10K | 訂貨1天 | |
SOC-VV4-2 | 0-5V或0-10V | 0-5V或0-10V | 220VAC | >10K | 訂貨1天 | |
SOC-FF4-G2424 | 0-10KHZ,幅值24V | 0-10KHZ,幅值24V | 24VDC | >10K | 訂貨1天 | |
SOC-FF4-G0505 | 0-10KHZ,幅值5V | 0-10KHZ,幅值5V | 24VDC | >10K | 訂貨1天 | |
分配轉換 | SOC-AV4-1 | 0-20mA或4-20mA | 0-5V或0-10V | 24VDC | >10K | 長期現貨 |
SOC-AV4-2 | 0-20mA或4-20mA | 0-5V或0-10V | 220VAC | >10K | 長期現貨 | |
SOC-VA4-1 | 0-5V或0-10V | 0-20mA或4-20mA | 24VDC | <500 | 長期現貨 | |
SOC-VA4-2 | 0-5V或0-10V | 0-20mA或4-20mA | 220VAC | <500 | 長期現貨 |








